Giáo trình Robocon [2] – Mạch điều khiển Robot bằng tay
Nội dung:
Loạt bài chia sẻ thiết kế mạch robot bằng tay – Trích từ giáo trình Robocon của DKS GROUP.
Robot điều khiển bằng tay là một phần không thể thiếu được trong robocon . Trong một số trận đấu , robot bằng tay có vai trò hỗ trợ cho robot tự động . Đôi khi, robot bằng tay đã giúp thay đổi cục diện trên sân. Mạch điều khiển robot bằng tay phần lớn là mạch relay điều khiển động cơ.
2.1.Chức năng của mạch điều khiển bằng tay
Mạch điều khiển bằng tay dùng để điều khiển các động cơ của robot bằng tay. Việc điều khiển động cơ bao gồm các chức năng sau
– Điều khiển động cơ quay ngược (robot lùi )
– Điều khiển động cơ quay xuôi (robot tiến )
– Dừng động cơ (dừng robot)
Relay được dùng trong robot bằng tay là loại relay OMRON ,dòng lớn


2.2.Nguyên tắc hoạt động mạch điều khiển robot bằng tay
Mạch này sử dụng 2 relay điều khiển 1 động cơ ,cấp nguồn cho relay thứ 1 thì động cơ quay phải ,cấp nguồn cho relay thứ 2 thì động cơ đảo chiều.

Bạn thiết kế một mạch điều khiển sử dụng các nút bấm để đóng mở các relay
,mạch rất đơn giản và hiệu quả.Tuy nhiên ,làm như vậy sẽ không thẩm mỹ và bất tiện .Do đó bạn có thể thiết kế bộ điều khiển bằng gamepad PS 2 để điều khiển .
(Phần này có tham khảo tài liệu trên mạng)
Gamepad cho Robot điều khiển bằng tay chia làm 2 loại : điều khiển từ xa bằng hồng ngoại và điều khiển qua dây cáp. Nếu dùng các mạch thu phát hồng ngoại thông thường thì tính ổn định khi thi đấu không cao (!), tốt nhất nên dùng Vi xử lí (VXL) để thu phát theo tần số riêng của mình (như POL chẳng hạn). Điều khiển qua dây cáp mang tính ổn định rất cao, ở đây chúng tôi đề cập tới cách sử dụng gamepad qua dây cáp.
1.Sử dụng gamepad playstation của SONY.
Kết nối trực tiếp vào Vi xử lí. Rất gọn khi thiết kế phần cứng, tuy nhiên chúng ta nên kèm theo nút Reset VXL trên gamepad để tăng tính ổn định. Đây là phương pháp sử dụng của đội FXR.
2.Cải tạo phần mạch của 1 gamepad bất kì:
Trong mạch của các gamepad bất kì, các nút nhấn được thiết kế như là các công tắc hành trình (tức là có 1 điểm chung nối mass).
+ Cắt bỏ đường mạch in nối các nút nhấn với phần điều khiển của gamepad.
+ Sử dụng các nút nhấn như là các công tắc hành trình độc lập.
a. Truyền nối tiếp :
Theo cách xử lí này chúng ta chỉ sử dụng cáp 4 sợi : +5v, mass, TXD, RXD. Cách xử lí này vẫn chưa ổn định tuyệt đối nhưng sử dụng ít Port VXL.
Nên kèm theo nút Reset VXL trên gamepad để tăng tính ổn định. Đây là phương pháp Basic Bot sử dụng năm 2003 và 2004.
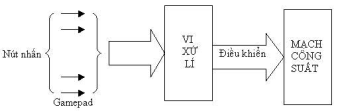
b. Truyền song song :
Thực chất ta nối tất cả các nút nhấn xuống thẳng mạch điều khiển, khi
đó các nút
nhấn đóng vai trò như là những công tắc hành trình. Phương pháp này rất ổn
định, tuy nhiên nhược điểm là rất tốn Port VXL (mỗi nút nhấn ứng với 1
Port).

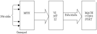
Cách khắc phục nhược điểm trên : Sử dụng mạch dồn kênh 16 sang 1.

Phương pháp này giảm bớt được đáng kể số lượng Port VXL, tính ổn định cao.
Thiết kế mạch robot bằng tay kiểu bán tự động đã được FXR sử dụng trong cuộc thi robocon 2004 rất thành công (đoạt chức vô địch )
Kinh nghiệm chế tạo Robot và thi Robocon:
Phần 1: Các modul của robot
Phần 2: Mạch điều khiển Robot bằng tay